Renesas Electronics RAA48930x 3-Level Synchronous Buck Controllers

Renesas Electronics RAA48930x 3-Level Synchronous Buck Controllers are developed for a 3-level buck topology that provides excellent efficiency and significantly reduces the needed inductance for regulating the output voltage. The innovative design decreases power loss and system size, making it ideal for compact, high-performance applications.

The Renesas RAA48930x delivers superior thermal performance by reducing heat generation and minimizing power loss during switching. The devices lower thermal stress, enhancing system reliability and extending product lifespan. Furthermore, the RAA48930x features reduced cooling requirements with less heat dissipation, resulting in smaller cooling solutions and saving space and cost.

The RAA48930x controllers implement a space-saving architecture in a compact design, reducing PCB footprint. The device offers flexible scalability, easily adapting to various power levels and application requirements. The enhanced Renesas R3™ technology with flying cap voltage balance supplies highly efficient power delivery and fast transient response.

Features

  • 3-level buck configuration with a single inductor
  • Internal charge pump for 5V or 10V gate drive with EXT5V
  • Pass-Through Mode in forward or reverse direction
  • Smooth transitions between CV, CC, CL, and CV in loops
  • Integrated 8-bit ADC for digital telemetry
  • Hardware-based input and output current monitor
  • 4 x 4 32-lead TQFN package

Applications

  • Power tools
  • Portable vacuums
  • Lawn mowers
  • Docking stations
  • Industrial
  • Consumer
  • Multiple-port USB-PD charger
  • Portable power solution
  • PC docking station
  • Robots and drones

Efficiency Curves

Performance Graph - Renesas Electronics RAA48930x 3-Level Synchronous Buck Controllers

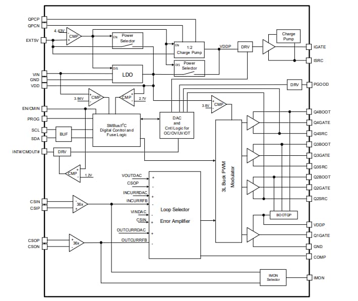
Block Diagram

Block Diagram - Renesas Electronics RAA48930x 3-Level Synchronous Buck Controllers

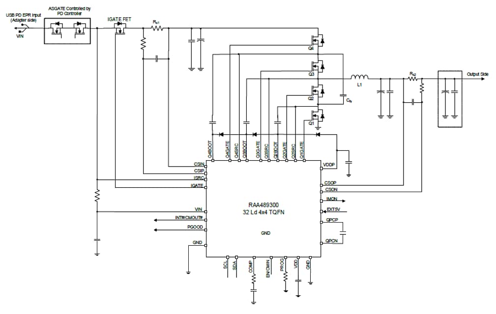
RAA489300 Typical Application

Application Circuit Diagram - Renesas Electronics RAA48930x 3-Level Synchronous Buck Controllers

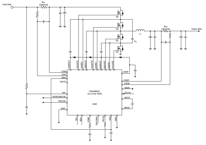
RAA489301 Typical Application

Application Circuit Diagram - Renesas Electronics RAA48930x 3-Level Synchronous Buck Controllers
Published: 2025-07-08 | Updated: 2026-01-07