ROHM Semiconductor BD18353EFV-M 1ch High Current LED Controller

ROHM Semiconductor BD18353x Series 1ch High Current LED Controller is an AEC-Q100 qualified device featuring a built-in high side current detection amplifier. This LED controller features two systems of built-in analog dimming, Over Voltage Protection (OVP), and Short Circuit Protection (SCP). The PWM dimming can be set free with a built-in PWM generation circuit. This LED controller operates at the 5V to 65V input voltage range and -40°C to 125°C temperature range. The BD18353EFV-M 1ch high current LED controller is ideal for automotive exterior lamps.

Features

  • AEC-Q100 qualified (Grade 1)
  • Rail-to-rail current sense amplifier
  • PWM dimming signal generator
  • Over Voltage Protection (OVP)
  • Short Circuit Protection (SCP)
  • Analog dimming (two systems)
  • DRL mode (100% duty) enable
  • Outputs abnormal LED status (FAULT_B)
  • Spread Spectrum Frequency Modulation ON/OFF (SSFM_B)

Specifications

  • -40°C to 125°C operating temperature range
  • 5V to 65V input voltage range
  • ±3% LED current sense voltage accuracy
  • 65V maximum output voltage
  • 200kHz to 2.5MHz frequency switching range

Applications

  • Automotive exterior lamps:
    • Rear, turn, DRL/position, fog, high, and low beam

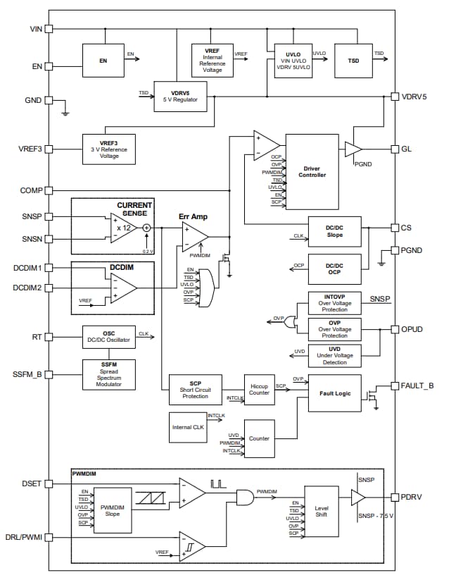
Block Diagram

Block Diagram - ROHM Semiconductor BD18353EFV-M 1ch High Current LED Controller

Application Circuit Diagram

Application Circuit Diagram - ROHM Semiconductor BD18353EFV-M 1ch High Current LED Controller
Published: 2021-03-23 | Updated: 2022-03-11