ROHM Semiconductor BD6326ANUX 3-Phase Fan Motor Driver
ROHM Semiconductor BD6326ANUX 3-Phase Fan Motor Driver is a sensorless full-wave motor driver used to cool off notebook PCs. This motor driver is controllable by a variable speed provided through the PWM input signal. The BD6326ANUX motor driver does not require a hall device as the location sensor and helps in motor downsizing by limiting the number of external components. This motor driver employs a direct PWM soft-switched driving mechanism that achieves silent operations and low vibrations. The ROHM Semiconductor BD6326ANUX motor driver features a power save function, internal RNF resistance, and motor rotation direction select function (FR).Features
- 3-phase sensorless fan motor driver
- 180° sinusoidal drive
- Speed controllable by PWM input signal
- Requires no hall device as the location detection sensor
- Achieves motor downsizing by limiting the number of external components
- Direct PWM soft-switched driving mechanism
- Power save function
- Internal RNF resistance
- Motor rotation direction select function (FR)
Specifications
- 7V supply voltage (Vcc)
- 0.58W power dissipation (Pd)
- 7V output voltage (Vomax)
- 700mA output current (Iomax)
- -25°C to +95°C operating temperature range
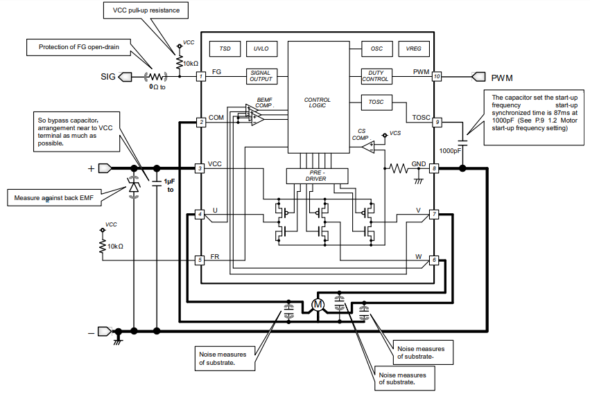
Block Diagram
Application Circuit Diagram
Published: 2020-04-14
| Updated: 2024-09-26
