ROHM Semiconductor BD7693FJ-EVK-001 Evaluation Board

ROHM Semiconductor BD7693FJ-EVK-001 Evaluation Board is a demonstration platform for the BD7693FJ Power Factor Correction Controller. The BD7693FJ is a Boundary Conduction Mode (BCM) PFC Controller that provides simple, high-performance, active Power Factor Correction using minimal external components. The BD7693FJ employs a Zero Current Detection (ZCD) circuit to greatly reduce switching loss and noise. The device also incorporates a circuit lowering Total Harmonic Distortion (THD). The BD7693FJ supports the IEC 61000-3-2 Class C Harmonics Standard, making it ideal for lighting applications.

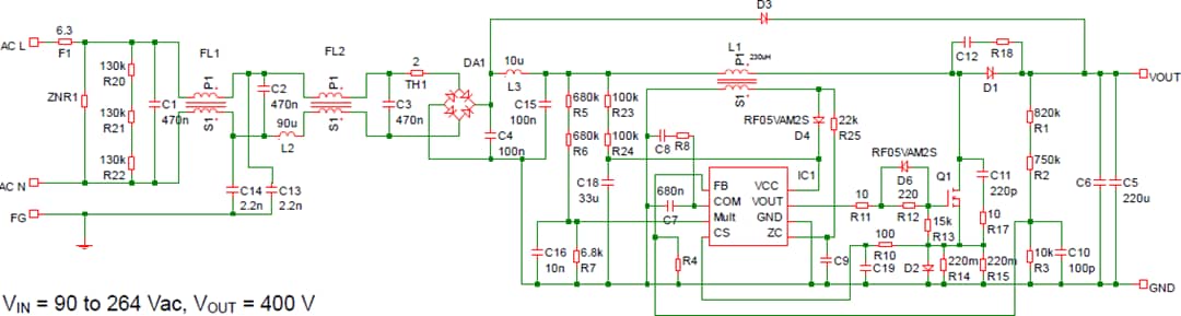
The ROHM Semiconductor BD7693FJ-EVK-001 Evaluation Board features a BD7693FJ PFC Controller in a 4.9mm x 6.0mm SOP-J8 package. The Evaluation Board provides an example reference circuit based on the BD7693FJ, with a 400V output from a 90V to 264VAC input.

Features

  • 90V to 264VAC input voltage range (VIN)
  • 50/60Hz input frequency (fLINE)
  • 376V to 414V output voltage, 395V typical (VOUT)
  • 200W maximum output power (POUT)
  • 0A to 0.5A output current range (IOUT)
  • 3.6% typical Total Harmonic Distortion (THD)
  • 0.97PF at 230VAC, IOUT=0.5A
  • 96% efficiency (η)
  • 11Vpp output ripple voltage (VR)
  • 20ms minimum hold time (THOLD)
  • -10°C to +65°C operating temperature range (Topr)
  • 200mm x 112mm PCB

Required Equipment

  • 90V to 264VAC power supply, 200W or greater
  • 0.5A electronic load with support for 500V input voltage
  • Multimeter
  • Power meter

Board Layout

Mechanical Drawing - ROHM Semiconductor BD7693FJ-EVK-001 Evaluation Board

Connection Diagram

ROHM Semiconductor BD7693FJ-EVK-001 Evaluation Board

Application Circuit

Application Circuit Diagram - ROHM Semiconductor BD7693FJ-EVK-001 Evaluation Board
Published: 2021-08-05 | Updated: 2022-03-11