ROHM Semiconductor RB-D610Q338TB52 Reference Board

ROHM Semiconductor RB-D610Q338TB52 Reference Board is a development platform designed to facilitate the evaluation and prototyping of embedded systems based on the LAPIS ML610Q338 8-bit microcontroller. This reference board provides developers with robust features, including onboard peripherals such as LEDs, buttons, and connectors, simplifying the testing and integration of external components. It supports multiple I/O interfaces, allowing seamless interaction with sensors, actuators, and other devices while offering UART communication for serial data exchange.

The ROHM Semiconductor RB-D610Q338TB52 board’s flexible power supply options ensure compatibility with various external components, and its in-circuit serial programming (ICSP) interface enables easy programming and debugging. Optimized for low power consumption, the RB-D610Q338TB52 is ideal for energy-efficient applications such as IoT devices and portable products. With its compact design and comprehensive support for development and debugging, this reference board is a valuable tool for developers working with the LAPIS ML610Q338 MCU.

Features

  • For use with the LAPIS ML610Q338 8-bit MCU
  • Can be combined with the on-chip debug tool EASE1000 V2 and software development environment (DUT8 and MWU16) to do the following:
    • Development and debugging of the MCU control software
    • Programming control and sound code data to the MCU internal Flash-ROM
    • Voice playback by the MCU
  • Flexible I/O interfaces
  • Onboard peripherals
  • UART communications port
  • Flexible power supply options
  • Programming and debugging interface
  • Low power operation
  • 2V to 5.5V operating supply voltage range
  • 93.98mm x 55.88mm x 18mm (WxDxH) size

Applications

  • Consumer electronics
  • Internet of Things (IoT) devices
  • Automotive electronics
  • Industrial automation
  • Toys and educational products
  • Security systems
  • Wearables

Overview

Location Circuit - ROHM Semiconductor RB-D610Q338TB52 Reference Board

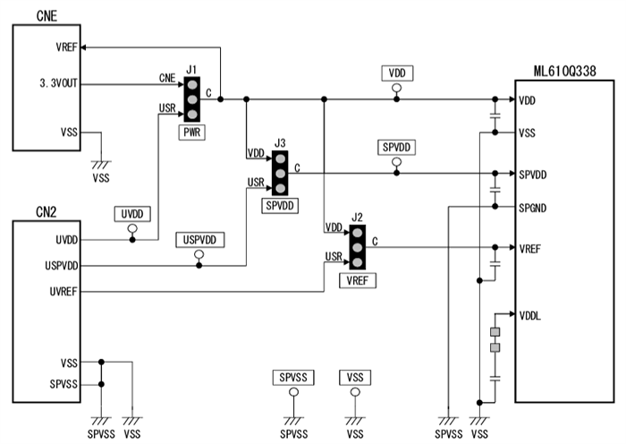
Power Circuit

Schematic - ROHM Semiconductor RB-D610Q338TB52 Reference Board

PCB Layout

Location Circuit - ROHM Semiconductor RB-D610Q338TB52 Reference Board
Published: 2024-12-20 | Updated: 2024-12-27