ROHM Semiconductor RB7x Schottky Barrier Diodes

ROHM Semiconductor RB7x Schottky Barrier Diodes are AEC-Q101 qualified high-reliability automotive diodes that are suitable for high-speed switching. These diodes include a surface mounting style with 3 terminals. The RB7x barrier diodes are stored at -55°C to +125°C temperature range and come with SC-89 package and SOT-416FL package code. These ROHM Semiconductor diodes function at 0.37V maximum forward voltage, 40V reverse voltage, and 0.03A average rectified forward current.

Features

  • AEC-Q101 qualified
  • SOT-416FL package code
  • SC-89 package
  • Surface mounting style
  • 3 terminals
  • Low VF
  • High reliability
  •  RB715WM
    • Ultra-small mold type
  • RB706WM-40FH
    • Small mold type

Specifications

  • RB706WM-40FH
    • 5.0E-4mA maximum reverse current
    • 45VRM
  • RB715WMFH
    • 0.001mA maximum reverse current
    • 40VRM
  • -55°C to +125°C storage temperature range
  • 0.37V maximum forward voltage
  • 0.03A average rectified forward current
  • 40V reverse voltage

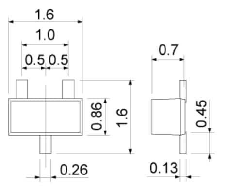
Mechanical Dimensions

Mechanical Drawing - ROHM Semiconductor RB7x Schottky Barrier Diodes
Published: 2020-04-07 | Updated: 2024-09-24