SOURIAU UTLx4W4 All-In-One Hybrid Connectors
SOURIAU UTLx4W4 All-In-One Hybrid Connectors are specifically developed to address the needs of 4 power and 4 signal contacts. These connectors are designed to be mated and unmated under load conditions. The UTLx4W4 hybrid connectors are UL, CSA, and IEC qualified. These connectors reduce inventory and enhance overall system efficiency. The UTLx4W4 hybrid connectors are halogen-free and are RoHS compliant. Typical applications include motorcycles, cargo bikes, small boats, small cars, warehouse handling, and drones.Features
- 4 power contacts:
- #8 contacts, silver plated
- Up to 44A per contact
- Wires AWG-16 to 8/1.5mm² to 10mm²
- 4 signal contacts:
- BMS, CAN bus, and Ethernet
- Last-mate, first-break (LMFB)
- Up to 16A per contact
- Wires AWG-30 to AWG-14/0.05mm² to 2.5mm²
- Flammability rating:
- UL94: V-0 for connector
- UL94: 5VA for thermoplastic
- UL746C: 5-inch (127mm) end-product flame test
- IP44 self-closing cap
- Fluid resistance:
- Gas and oil
- Mineral oil
- Acid bath
- Basic bath
- Electrical:
- First-mate last-break power contacts
- Touch-proof contacts on socket-side
- Mechanical:
- 1000 mating and unmating cycles
- Coupling system:
- Tactile and audible click
- Blind mating
- Touchproof
- IP2x in unmated condition (for socket-side)
- Shock resistance:
- IK07 according to IEC62262
- Sealing:
- IP68 (1 bar/1 week)/69K mated with standard contacts
- Halogen-free
- RoHS compliant
Applications
- Light EV:
- Motorcycles
- Cargo bikes
- Small boats
- Small cars
- Robots:
- UGV
- Handling
- Industrial
- Security
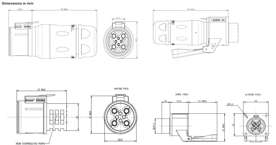
Mechanical Diagram
View Results ( 3 ) Page
| Part Number | Datasheet | Mounting Style | Shell Style | Contact Gender |
|---|---|---|---|---|
| UTL0164W4P19 | ![]() |
Panel Mount | Receptacle | Pin (Male) |
| UTL6164W4S | ![]() |
Cable Mount | Plug | |
| UTL6JC164W4S | ![]() |
Cable Mount | Plug | Socket (Female) |
Published: 2024-06-27
| Updated: 2024-07-30

