STMicroelectronics Automotive Class-D Audio Power Amplifiers

STMicroelectronics Automotive Class-D Audio Power Amplifiers are digital input amplifiers with Bipolar-CMOS-DMOS (BCD) technology designed for automotive audio applications. The class-D audio amplifiers feature wide operating range, ESD protection, AEC-Q100 qualification, and 2Ω and 1Ω load driving capability. These audio amplifiers come in single and quad bridge configurations. The class-D audio amplifiers employ I2S and Time Division Multiplexing (TDM) digital inputs. These audio amplifiers integrate a high-performance D/A converter that improves efficiency performances. The class-D audio amplifiers incorporate a feedback loop with the output L-C low pass filter that provides superior frequency response linearity and lower distortion. STMicroelectronics Automotive Class-D Audio Power Amplifiers are used in the standard single DIN car-radio box together with the tuner, noise and tone generators, telematics, and e-call.

Features

  • Integrated 108/110dB D/A conversion
  • Full I2C bus driving
  • Output lowpass filter included in the feedback
  • Clipping detector
  • 44.1kHz, 48kHz, 96kHz, 192kHz input sampling frequencies
  • ESD protection
  • 2Ω and 1Ω load driving capability
  • AEC-Q100 qualified 

Specifications

  •  FDA801B and FDA801:
    • 3.3V / 1.8V I2S and TDM digital input
    • 28W / 4Ω @Vd=14.4V, THD=10% high output power capability
    • LQFP64 exposed pad up package
  • FDA803D and FDA903D:
    • 4 / 8 / 16 channel I2S and TDM digital input
    • 1 x 25W / 4Ω @Vd=14.4 V, THD=1% high output power capability
    • 1 x 30 W / 4Ω @Vd=14.4 V, THD=10% high output power capability
    • PowerSSO-36 exposed pad down package

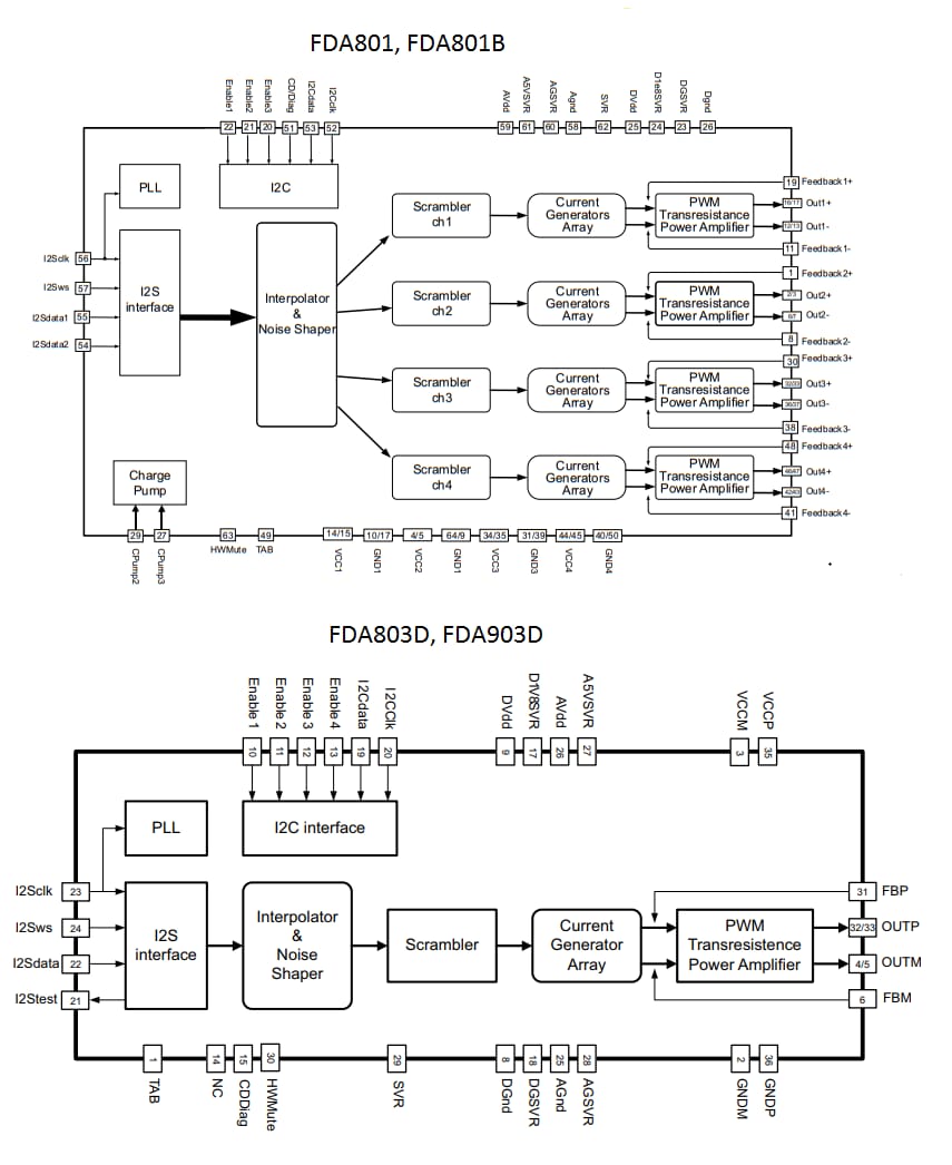
Class-D Amplifiers Block Diagram

Block Diagram - STMicroelectronics Automotive Class-D Audio Power Amplifiers
Published: 2018-06-17 | Updated: 2025-01-09