STMicroelectronics SH63N65DM6AG Power MOSFET
STMicroelectronics SH63N65DM6AG Power MOSFET is an automotive-grade N-channel MDmesh DM6 half‑bridge topology power MOSFET offering 650V blocking voltage. This power MOSFET is AQG 324 qualified and comes in an ACEPACK SMIT low inductance package. The SH63N65DM6AG power MOSFET features very low switching energies, low thermal resistance, and a 3.4kVrms/min isolation rating. This power MOSFET has a dice-on Direct Bond Copper (DBC) substrate that helps the package offer low thermal resistance coupled with an isolated top-side thermal pad. The SH63N65DM6AG MOSFET comes in a package with high design flexibility enabling several configurations, including phase-legs, boost, and single-switch through different combinations of internal power switches. This power MOSFET is ideal for switching applications.Features
- AQG 324 qualified
- Half-bridge power module
- 650V blocking voltage
- Fast recovery body diode
- Very low switching energies
- Low package inductance
- Dice on Direct Bond Copper (DBC) substrate
- Low thermal resistance
- Isolation rating of 3.4kVrms/min
Specifications
- ±25VGS gate-source voltage
- 170A drain current (pulsed)
- 424W total power dissipation @ TC=25°C
- 0.29°C/W thermal resistance (junction-to-case)
- 6A avalanche current
- 778mJ single pulse avalanche energy
- 100V/ns peak diode recovery voltage slope
- 1000A/µs peak diode recovery current slope
- -55°C to 150°C operating temperature range
Circuit Diagram
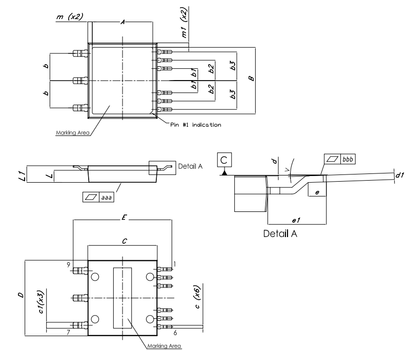
ACEPACK SMIT Package Outline
Published: 2023-08-16
| Updated: 2023-08-29
