STMicroelectronics STEVAL-MKI208V1K iNemo Inertial Module Kit
STMicroelectronics STEVAL-MKI208V1K iNemo Inertial Module Kit is a user-friendly evaluation board based on the IIS3DWB 3D Accelerometer and 3D Gyroscope Sensor. This kit from STMicroelectronics consists of a host board for the IIS3DWB Accelerometer and a simple adapter board (STEVAL-MKIGIBV2) that enables it to work with the STEVAL-MKI109V3 Motherboard.The IIS3DW Sensor is soldered precisely in the center of the board and double-sided adhesive is provided to allow users to mount the board on equipment destined for vibration analysis. Alternatively, the board can be mounted using the holes located in each corner of the PCB.
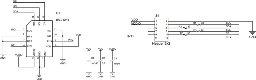
The STEVAL-MKIGIBV2 can be plugged into a standard DIL 24 socket. The iNemo Inertial Module Kit provides the complete IIS3DWB pinout and comes ready-to-use with the required decoupling capacitors on the VDD power supply line.
The STEVAL-MKI109V3 Motherboard features a high-performance 32-bit microcontroller functioning as a bridge between the sensor and a PC running the free Unico GUI graphical user interface or dedicated software routines for customized applications.
Features
- Pre-mounted IIS3DWB Accelerometer
- 3-axis accelerometer with digital output
- User-selectable full-scale: ±2g/±4g/±8g/±16g
- Ultra-wide and flat frequency response range: from DC to 5kHz (±3dB point)
- Ultra-low noise density: down to 90µg/√Hz in 3-axis mode / 65µg/√Hz in single-axis mode
- SPI serial interface
- Compact 2.5mm x 3.0mm LGA-14 package
- Board provides complete IIS3DWB pinout for a standard DIL 24 socket
- Fully compatible with STEVAL-MKI109V3 Motherboard
- Double-sided adhesives included for easy mounting on equipment to be measured
- RoHS and WEEE compliant
Applications
- Vibration monitoring
- Condition monitoring
- Predictive maintenance
- Test and measurements
IIS3DWB Block Diagram
The IIS3DWB architecture is composed of the following functional blocks:
- MEMS Mechanical Element
- Analog-to-Digital Converter (ADC)
- Digital Filter (LPF1)
- Composite Filter
STEVAL-MKIGIBV2 Schematic Diagram
STEVAL-MKI208V1 Schematic
