STMicroelectronics STEVAL-A6983CV1 Evaluation Board
STMicroelectronics STEVAL-A6983CV1 Evaluation Board is designed for the A6983 synchronous monolithic step-down regulator, capable of supplying up to 3A DC to the load. The STEVAL-A6983CV1 wide input voltage range allows for a broad range of applications.The STMicroelectronics STEVAL-A6983CV1 operates on a peak current mode architecture enclosed in a QFN16 (3mm x 3mm) package with internal compensation, minimizing design complexity and size. The STEVAL-A6983CV1 permits the switching frequency to be selected in the 200kHz to 2.3MHz range with an optional spread spectrum for improved EMC. The EN pin facilitates an enable/disable functionality. The typical shutdown current is 2μA when disabled. The device is enabled when the EN pin is pulled up, and the internal 1.3ms softstart occurs.
The STEVAL-A6983CV1 features a Power Good open collector that monitors the FB voltage. Pulse-by-pulse current sensing on both power elements implements sufficient constant current protection, and thermal shutdown prevents thermal run-away.
Features
- AECQ100 Grade 1 qualified
- Operating temperature range of -40°C to +150°C for Tj
- 3.5V to 38V operating input voltage
- Output voltage from 0.85V to VIN
- 3A DC output current
- 25μA operating quiescent current
- Internal compensation network
- High efficiency at light loads
- 2μA shutdown current
- Internal soft-start
- High voltage VIN compatible enable
- Output overvoltage protection
- Output voltage sequencing
- Thermal protection
- 200MHz to 2.2MHz programmable switching frequency, stable with low ESR capacitor min 22µF
- Optional spread spectrum for improved EMC
- Power good
- QFN16 (3mm x 3mm) package
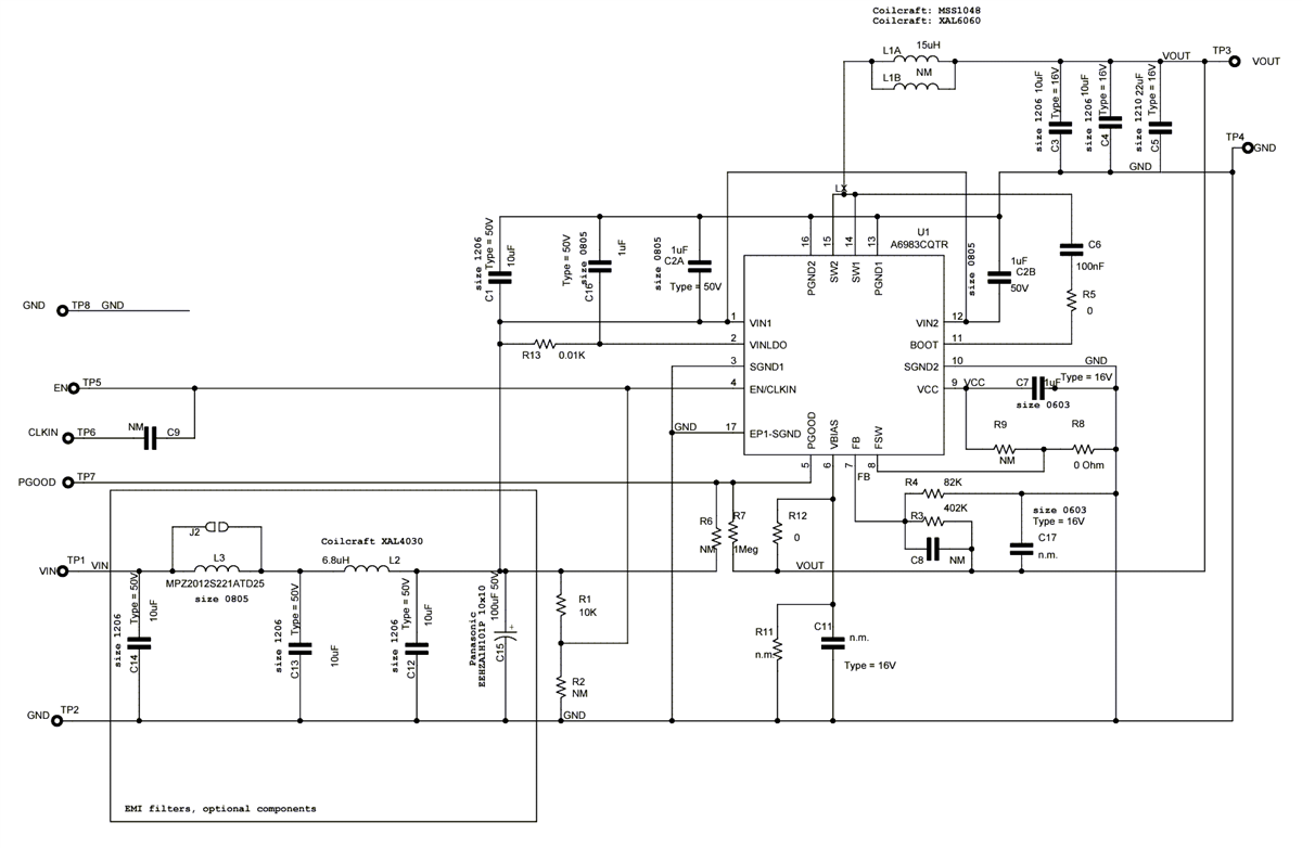
Schematic diagram
