Texas Instruments BQ77915 Ultra-Low-Power Battery Pack Protectors

Texas Instruments BQ77915 Ultra-Low-Power Battery Pack Protectors employ a suite of voltage, current, and temperature protection features. The BQ77915 uses a smart cell balancing algorithm without the use of a microcontroller (MCU). The BQ77915 protector is designed for battery packs without host monitoring. The device uses a stackable interface that offers simple scaling, supporting battery cell applications from 3 to 20 series and beyond. Factory-programmed protection thresholds and delays are supplied in a wide range of configurations.

Separate overtemperature and under temperature thresholds provide added flexibility for both charge (OTC and UTC) and discharge (OTD and UTD). Pack protection on the device is supported via the integrated independent CHG and DSG low-side NMOS FET drivers. These drivers may be disabled through two control pins. These pins can also be used to achieve cell protection solutions for higher series easily and economically.

These solutions are achieved by simply cascading a higher device CHG and DSG outputs to the immediate lower device control pins. Discharge overcurrent protection delays can be programmed using a resistor connected from the OCDP pin to VSS, thus adding adaptability. The BQ77915 protector achieves a smart passive cell-balancing algorithm by using integrated FETs for cell-balancing currents up to 50mA.

Features

  • Scalable cell count from 3 series to 20 series or more
  • Voltage protection (Accuracy ±10mV for OV, ±18mV for UV)
    • 3V to 4.575V Overvoltage
    • 1.2V to 3V Undervoltage
  • Open cell and Open-Wire detection (OW)
  • Current protection
    • -10mV to -85mV Overcurrent discharge 1
    • -20mV to -170mV Overcurrent discharge 2
    • -40mV to -340mV Short circuit discharge
  • Temperature protection
    • 45°C or 50°C Overtemperature charge
    • 65°C or 70°C Overtemperature discharge
  • Independent Charge (CHG) and Discharge (DSG) FET drivers
  • Smart cell balancing algorithm with integrated FETs (up to 50mA balancing current), also supports external FETs for higher cell-balancing current
  • Ultra-low power HIBERNATE mode
  • High 36V absolute maximum rating per cell input
  • Resistor programmable overcurrent (OCD1/2) delay
  • 0.5µA Maximum SHUTDOWN mode
  • 8µA typ. (NORMAL mode), 2µA (HIBERNATE mode) ultra-low quiescent current
  • Full suite of voltage, current, and temperature protections
  • Smart passive cell balancing removes cell-to-cell imbalance

Applications

  • Power tools, garden tools
  • Robotic cleaners, vacuum cleaners, hoverboards
  • eBikes
  • 10.8V to 72V Packs

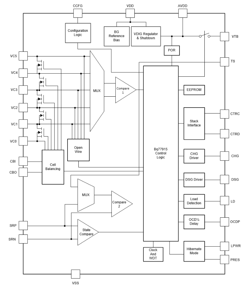
Block Diagram

Block Diagram - Texas Instruments BQ77915 Ultra-Low-Power Battery Pack Protectors
Published: 2018-10-11 | Updated: 2023-06-21