Texas Instruments LM5066Hx Advanced Hot-Swap Controller
Texas Instruments LM5066Hx Advanced Hot-Swap Controller provides robust protection and precision monitoring for 12V, 24V, and 48V systems with programmable UV, OV, ILIM, and fast short-circuit protection for customized input power applications. Programmable power limit threshold, along with adjustable fault timer (tFAULT), limits maximum power dissipation and ensures FET SOA protection under all conditions, including startup and fault events. Two-level overcurrent blanking with digital timers allows higher load transients to pass, enabling lower current limit settings and reducing requirements for strong SOA MOSFETs.
An integrated PMBus® interface enables real-time remote monitoring, control, and configuration of the system. Key parameters can be accessed remotely for telemetry, and various thresholds can be configured through PMBus or stored in internal EEPROM. The fast, accurate analog load current monitor supports predictive maintenance and dynamic power management, including Intel PSYS and PROCHOT functionality to optimize server performance. A blackbox fault recording feature helps in debugging field failures.
The Texas Instruments LM5066H2 features a dual-gate-drive architecture that enables the use of a single strong SOA FET to handle power stress during startup and fault conditions, combined with multiple small low RDS(ON) FETs for normal load current operation, reducing the total solution size. The devices are characterized for operation over a junction temperature range of –40°C to +125°C.
Features
- 5.5V to 90V input operating voltage range
- 100V absolute maximum rating
- Withstands negative voltages up to a -5V at the output
- Adjustable ILIM thresholds from 10mV to 50mV
- Programmable FET SOA protection
- Programmable overcurrent blanking with digital timer
- Strong gate pull-down (1.5A) for fast turn-OFF
- Robust short-circuit protection
- Fast trip response (270ns)
- Immune to supply line transients
- LM5066H2 with additional features
- Dual gate drive for high power applications
- SYNC pin for parallel controller operation
- Soft start capacitor disconnect
- Failed FET detection
- Programmable UV, OV, tFAULT thresholds
- External FET temperature sensing
- Failed FET detection
- PMBus interface for telemetry, control, configuration, and debug
- On-chip EEPROM nonvolatile memory for configuration
- Precision VIN, VOUT, IIN, PIN, VAUX monitoring V (<±1%); I (<±1%); P (<±1.75%)
- Power cycle with a single command
- Blackbox fault recording of multiple events with a relative time stamp stored in internal EEPROM
- 12-bit ADC with 250kHz sampling rate
- Supports energy monitoring via the Read_EIN command
- External FET temperature sensing
Applications
- Server and high-performance computing
- Network interface cards
- Graphics and hardware accelerator cards
- Datacenter switches and routers
- Input hotswap and hotplug
- PLC power management
- 24V to 48V industrial systems
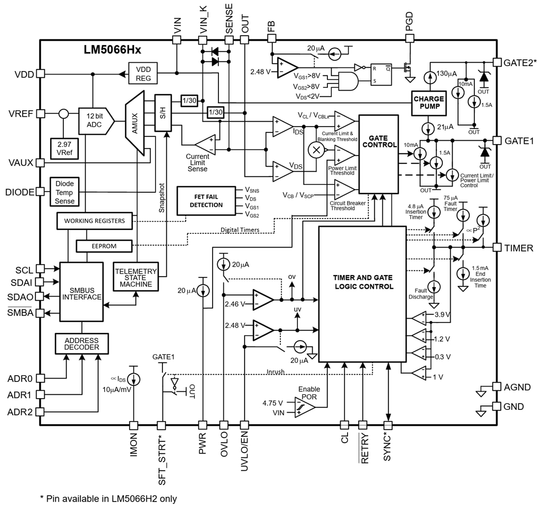
Functional Block Diagram
