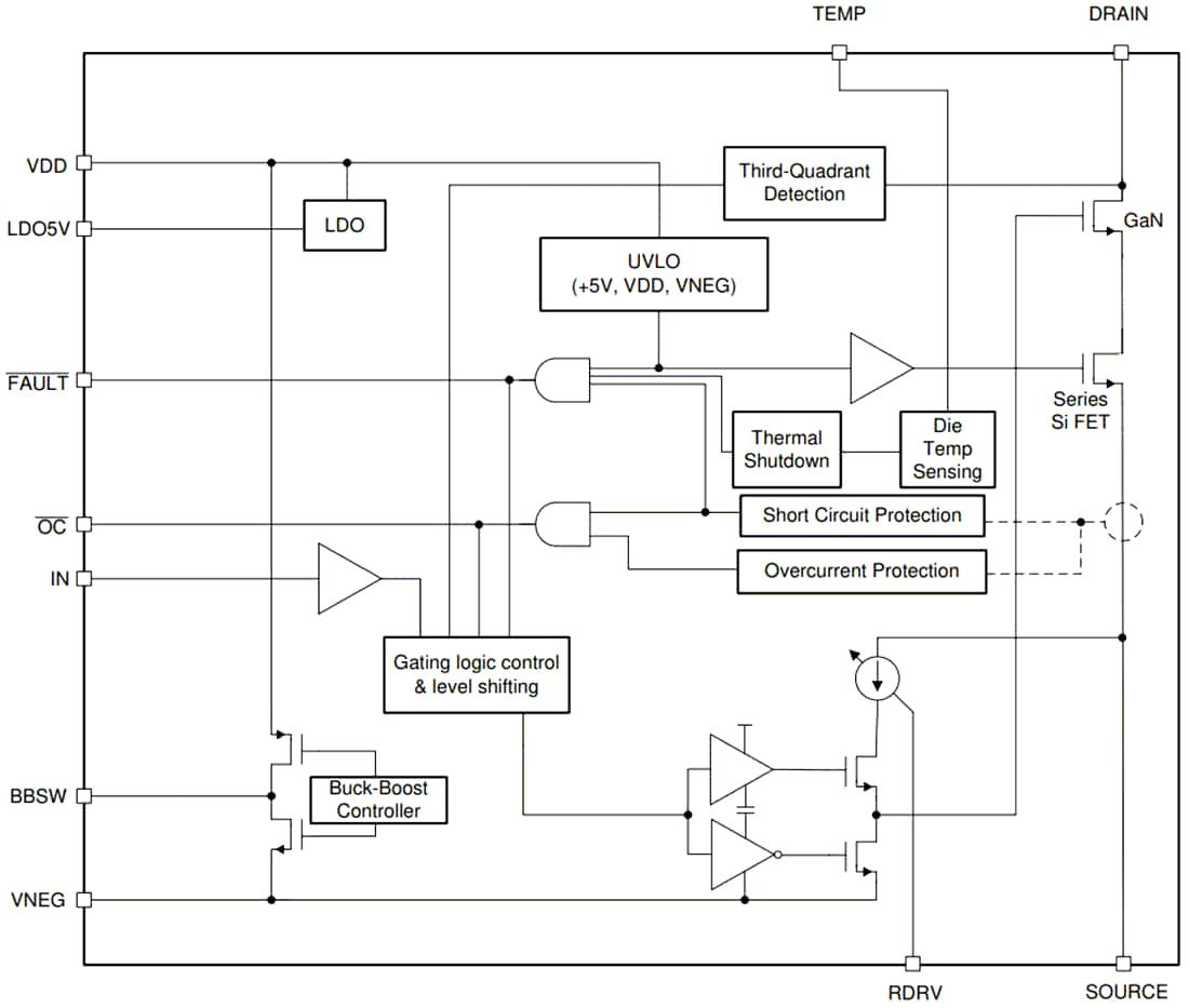
The Texas Instruments LMG342xR030 integrates a silicon driver that enables switching speeds up to 150 V/ns. TI’s integrated precision gate bias results in higher switching SOA compared to discrete silicon gate drivers. This integration, combined with TI’s low-inductance package, delivers clean switching and minimal ringing in hard-switching power supply topologies. Adjustable gate drive strength allows control of the slew rate from 20 V/ns to 150 V/ns, actively controlling EMI and optimizing switching performance. The LMG3425R030 includes ideal diode mode, which reduces third-quadrant losses by enabling adaptive dead-time control.
Advanced power management features include digital temperature reporting and fault detection. The temperature of the GaN FET is reported through a variable duty cycle PWM output, which simplifies managing device loading. Faults reported include overtemperature, overcurrent, and UVLO monitoring.
Features
- Qualified for JEDEC JEP180 for hard-switching topologies
- 600V GaN-on-Si FET with integrated gate driver
- An integrated high precision gate bias voltage
- 200V/ns CMTI
- 2.2MHz switching frequency
- 30V/ns to 150V/ns slew rate for optimization of switching performance and EMI mitigation
- Operates from 7.5V to 18V supply
- Advanced power management
- Digital temperature PWM output
- Ideal diode mode reduces third-quadrant losses in LMG3425R030
- Robust protection
- Cycle-by-cycle overcurrent and latched short-circuit protection with < 100ns response
- Withstands 720V surge while hard-switching
- Self-protection from internal overtemperature and UVLO monitoring
Applications
- High-density industrial power supplies
- Solar inverters and industrial motor drives
- Uninterruptable power supplies
- Merchant network and server PSU
- Merchant telecom rectifiers
Functional Block Diagram

