Texas Instruments OPAx210 Precision Operational Amplifier
Texas Instruments OPAx210 Precision Operational Amplifier is the next generation of OPAx209 operational amplifiers (op amps). The OPAx210 precision operational amplifier is built on TI’s precision super-ß complementary bipolar semiconductor process. This process offers ultra-low flicker noise, low offset voltage, and low offset voltage temperature drift. The OPAx210 achieves very low voltage noise density (2.2nV/√Hz) while consuming only 2.5mA (maximum) per amplifier. This device also offers a rail-to-rail output swing, which helps to maximize dynamic range.In precision data acquisition applications, the OPAx210 provides fast settling time to 16-bit accuracy, even for 10V output swings. Excellent ac performance, combined with only 35µV (maximum) of offset and 0.6µV/°C (maximum) drift over temperature, makes the OPAx210 very suitable for high-speed, high-precision applications. The OPAx210 is specified over a wide dual power-supply range of ±2.25V to ±18V, or single-supply operation from 4.5V to 36V, and is specified from -40°C to +125°C.
Features
- Precision Super-ß performance
- 5µV (typical) low offset voltage
- 0.1µV/°C (typical) ultra-low drift
- 0.3nA (typical) low input bias current
- Ultra-low noise
- 90nVPP low 0.1Hz to 10Hz noise
- 2.2nV/√Hz at 1kHz low voltage noise
- 132dB (minimum) high CMRR
- 18MHz gain-bandwidth product
- 6.4V/µs slew rate
- 2.5mA/channel (maximum) low quiescent current
- ±65mA short-circuit current
- ±2.25V to ±18V wide supply range
- No phase reversal
- Rail-to-rail output
Applications
- Ultrasound scanners
- Medical instrumentation
- Merchant network and server PSU
- Semiconductor test equipment
- PLL loop filters
- Lab instrumentation
- High-performance ADC drivers
- High-performance DAC output amplifiers
- Professional audio preamplifiers
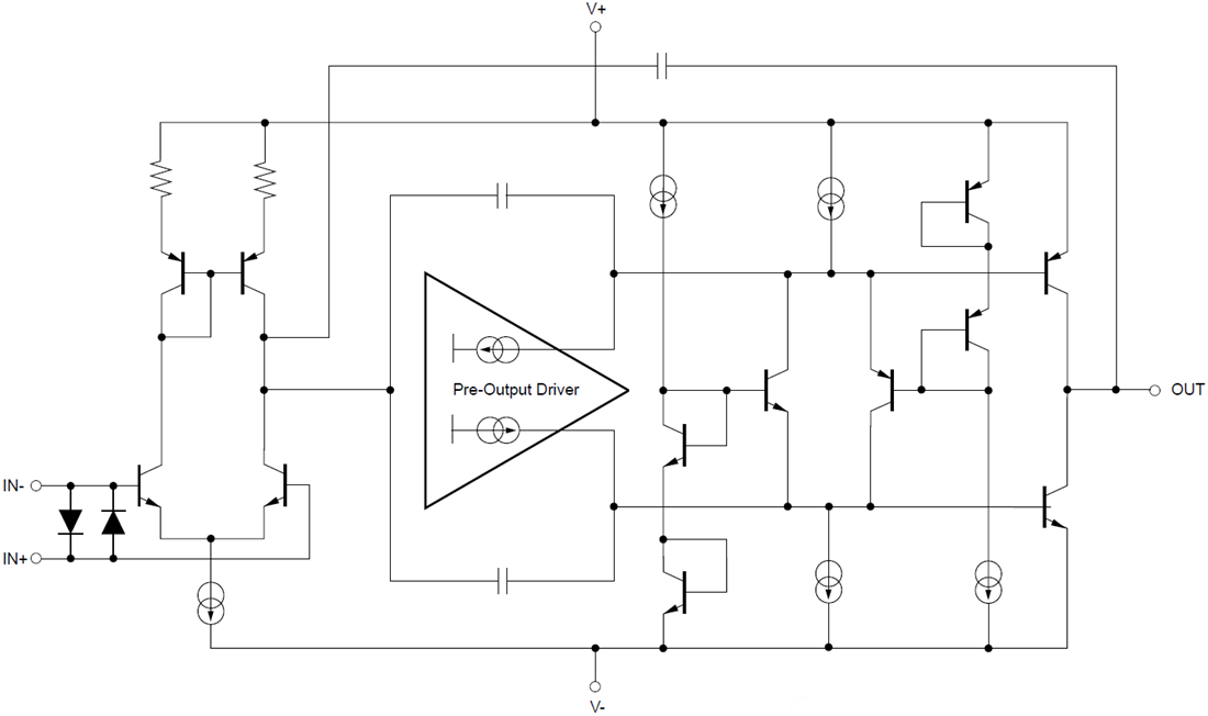
Functional Block Diagram
Published: 2019-03-08
| Updated: 2023-07-31
