Texas Instruments SN74ACT2G101/Q1 Dual Configurable Data Flip-Flops

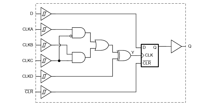
Texas Instruments SN74ACT2G101/Q1 Dual Configurable Data Flip-Flops feature a rising-edge-triggered configurable logic clock, active-low clear, and data inputs. The clock inputs can be configured for several 1- and 2-input logic functions, including buffer, inverter, AND, OR, NAND, NOR, XOR, and XNOR. All inputs use a Schmitt trigger architecture to support slow or noisy input signals.

The TI SN74ACT2G101-Q1 Flip-Flops are AEC-Q100 qualified for automotive applications.

Features

  • AEC-Q100 qualified for automotive applications:
    • Device temperature grade 1: -40° to +125°C
    • Device HBM ESD classification level 2
    • Device CDM ESD classification level C4B
  • Available in a wettable flank QFN package
  • Operating voltage range of 4.5V to 5.5V
  • TTL-compatible Schmitt-trigger inputs support slow and noisy input signals
  • Continuous ±24mA output drive at 5V
  • Supports up to ±75mA output drive at 5V in short bursts
  • Drives 50Q transmission lines
  • Fast operation with a delay of 10.5ns max

Applications

  • Hold a signal during controller reset
  • Input slow edge-rate signals
  • Operate in noisy environments

Logic Diagram (Positive Logic)

Location Circuit - Texas Instruments SN74ACT2G101/Q1 Dual Configurable Data Flip-Flops
Published: 2026-01-09 | Updated: 2026-01-21