Texas Instruments THVD24x0 RS-422/RS-485 Transceivers
Texas Instruments THVD24x0 RS-422/RS-485 Transceivers are ±70V fault-protected, half-duplex transceivers operating on a single 3.0V to 5.5V supply. Bus interface pins are protected against overvoltage conditions during all modes of operation, ensuring robust communication in rugged industrial environments. The Texas Instruments THVD24x0 features integrated IEC ESD protection, eliminating the need for external system-level protection components. Extended ±25V input common-mode range guarantees reliable data communication over longer cable run lengths and/or in the presence of large ground loop voltages. Enhanced 250mV receiver hysteresis ensures high noise rejection. Also, the receiver fail-safe feature guarantees a logic high when the inputs are open or shorted together.Features
- Meets or exceeds the requirements of the TIA/EIA-485A and TIA/EIA-422B standards
- 3.0V to 5.5V supply voltage
- Differential output exceeds 2.1V for PROFIBUS compatibility with a 5V supply
- Bus I/O protection
- ±70V DC bus fault
- ±16kV HBM ESD
- ±12kV IEC 61000-4-2 contact discharge
- ±12kV IEC 61000-4-2 air-gap discharge
- ±4kV IEC 61000-4-4 fast transient burst
- 50Mbps half-duplex speed grade
- -40°C to +125°C extended ambient temperature range
- ±25V extended operational common-mode range
- Enhanced receiver hysteresis for noise immunity
- Low power consumption
- Low shutdown supply current: <1µA
- Current during operation: <5.6mA
- Glitch-free power-up/down for hot plug-in capability
- Open, short, and idle bus failsafe
- Thermal shutdown
- 1/8 unit load (up to 256 bus nodes)
- SOIC package for drop-in compatibility
Applications
- Motor drives
- Factory automation and control
- HVAC systems
- Building automation
- Grid infrastructure
- Electricity meters
- Process analytics
- Video surveillance
- Seismic test equipment
Datasheets
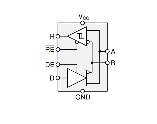
Functional Block Diagram
Simplified Schematic
Published: 2019-07-30
| Updated: 2023-10-11
