Toshiba 650V & 1200V 3rd Gen Silicon Carbide MOSFETs
Toshiba 650V and 1200V 3rd Generation Silicon Carbide MOSFETs are designed for high-power industrial applications like 400V and 800V AC input AC-DC power supplies, photovoltaic (PV) inverters, and bi-directional DC-DC converters for uninterruptible power supplies (UPS). These Toshiba MOSFETs make significant contributions to reducing power consumption and improving power density due to SiC technology. This technology allows for higher voltages, faster switching, and lower on-resistance. The design offers enhanced reliability in addition to low input capacitance, common gate-input charge, and a drain-to-source on-resistance as low as 15mΩ.Features
- Low VF
- Built-in Schottky Barrier Diode technology to offer ultra-low VF
- High reliability with cell design
- Low RON, RON QGD
- RON QGD is reduced by 80% from 2nd to 3rd generation
- Competitive RON QGD and switching performance
- Wider VGSS rating
- Wide VGSS ratings help improve design reliability and make design easier
- VGSS -10V to 25V (recommended 18V)
- Low ON resistance and a higher Gate Threshold Voltage (Vth) help prevent malfunctions like accidental turn-on
Applications
- Industrial motor drives
- Battery charger
- AC-DC and DC-DC converters
- Power factor correction circuit
- Energy storage systems
- Solar energy
- Uninterruptable power supplies
Videos
Packaging & Internal Circuit
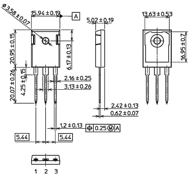
Package Dimensions
Published: 2022-07-05
| Updated: 2024-05-01
