TRACO Power TIB-BCMU Battery Controller Module

TRACO Power TIB 240-124-BCMU is a 240W Battery Controller Module designed to turn existing AC/DC power converters into fully functional uninterruptible power supply solutions. TRACO Power TIB-BCMU is powered by an integrated microprocessor, the battery controller module ensures that the 24VDC connected lead-acid batteries maintain a full charge. The device performs periodic impedance measurements to alert the user in case of a rare battery failure or an accidental disconnection. During battery backup operation, the internal DC/DC power conversion stage keeps the output voltage constant. Battery terminals are protected with a user-serviceable 15A blade-type fuse. TRACO TIB-BCMU includes EN/IEC/UL 61010-1 certification for measurement, laboratory, and control equipment and EN 62040-1 for uninterruptible power supplies.

Features

  • Compact metal enclosure with DIN-rail mount
  • Uninterruptible power supply function
  • For use with 24V lead-acid batteries
  • Constant output voltage
  • Efficiency
    • >96% during battery operation
    • >98% during pass-through operation
  • Integrated EN 55011 class B EMI filter
  • Battery OK, input OK, and output OK signals
  • Short-circuit, reverse-polarity, overload, and deep-discharge protection
  • Three-year warranty

Applications

  • Measurement equipment
  • Lab equipment
  • Control equipment
  • Uninterruptible power supplies

Specifications

  • 24VDC nominal input voltage
  • 10A maximum output current
  • 240W maximum power
  • 24V lead-acid backup battery pack

Videos

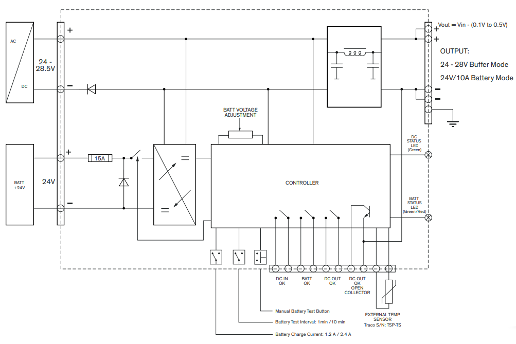
Block Diagram

Block Diagram - TRACO Power TIB-BCMU Battery Controller Module
Published: 2023-01-04 | Updated: 2023-03-20