Vishay Semiconductors Gen 5 600V Hyperfast & Ultrafast Rectifiers

Vishay Semiconductors Gen 5 600V Hyperfast and Ultrafast Rectifiers provide a unique combination of low conduction and switching losses. The rectifiers are intended to increase the efficiency of high-frequency converters and soft-switched or resonant designs. The Gen 5 600V Hyperfast and Ultrafast Rectifiers are isolated from the copper base plate in the SOT-227 package, facilitating the building of common heatsinks and compact assemblies.

The Vishay Semiconductors Gen 5 600V hyperfast and ultrafast rectifiers are specifically designed to improve the efficiency of PFC and output rectification stages of EV / HEV battery charging stations, booster stage of solar inverters, and UPS applications. These devices are perfectly matched to operate with MOSFETs or high-speed IGBTs.

Features

  • Ultrafast and optimized Qrr
  • Best-in-class forward voltage drop and switching losses trade-off
  • Optimized for high-speed operation
  • 175°C maximum operating junction temperature
  • Electrically isolated base plate
  • Large creepage distance between the terminal
  • Simplified mechanical designs, rapid assembly
  • Designed and qualified for industrial level
  • UL pending

Applications

  • PFC and output rectification stages for EV/HEV battery charging stations
  • Booster stages for solar inverters
  • UPS

Circuit Configuration

Application Circuit Diagram - Vishay Semiconductors Gen 5 600V Hyperfast & Ultrafast Rectifiers

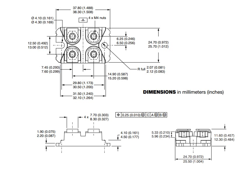
Dimensions

Mechanical Drawing - Vishay Semiconductors Gen 5 600V Hyperfast & Ultrafast Rectifiers
Published: 2022-09-30 | Updated: 2022-10-11