Texas Instruments UCC14131-Q1 Isolated DC/DC Modules

Texas Instruments UCC14131-Q1 Isolated DC/DC Modules are designed to provide power to GaN, IGBT, SiC, or Si gate drivers. The UCC14131-Q1 integrates a transformer and DC/DC controller with a proprietary architecture to accomplish high efficiency with very low emissions.

The TI UCC14131-Q1 can deliver an isolated 12V output from a 12V regulated input for driving GaN and Si MOSFETs and an isolated 15V or 18V output from a 15V regulated input to bias the driver circuit for SiC MOSFET or IGBTs. The UCC14131-Q1 modules supply high accuracy with better channel enhancement for higher system efficiency without over-stressing the power device gate.

Features

  • Fully integrated high-density isolated DC/DC module with isolation transformer
  • Isolated DC/DC for driving: IGBTs, GaN, SiC, and Si MOSFETs
  • Input voltage range of 10V to 18V with 32V absolute maximum
  • 1.5W output power at TA ≤105°C
  • 1.0W output power for 10V <VVIN <18V at TA = 105°C
  • Adjustable single or dual output voltages (using resistors) with <±1.3% regulation accuracy over the entire operating range
  • Low electromagnetic emission with spread spectrum modulation and integrated transformer design
  • Enable, Power Good, UVLO, OVLO, soft-start, short-circuit, power-limit, under-voltage, overvoltage, and over-temperature protection
  • CMTI >150kV/µs
  • AEC-Q100 qualified for automotive applications
    • Temperature grade 1 of -40°C ≤ TJ ≤150°C
    • Temperature grade 1 of -40 °C ≤ TA ≤125°C
  • Functional Safety-Capable - Documentation available to aid functional safety system design
  • Planned safety-related certifications:
    • 7071VPK reinforce isolation per DIN EN IEC 60747-17 (VDE 0884-17)
    • 5000VRMS isolation for 1 minute per UL1577
    • Reinforced insulation per CQC GB4943.1
  • 36-pin, Wide SSOP package

Applications

  • Hybrid, electric, and power train systems (EV/HEV)
    • Inverter and motor control
    • On-board (OBC) and wireless charger
    • Automotive DC/DC converter
  • Motor drives
  • Industrial transport
  • Grid infrastructure
    • EV charging station power module
    • DC charging (pile) station
    • String inverter
  • Merchant Server PSU

Device Comparison Table

Chart - Texas Instruments UCC14131-Q1 Isolated DC/DC Modules

Simplified Application

Application Circuit Diagram - Texas Instruments UCC14131-Q1 Isolated DC/DC Modules

Typical Power-up Sequence

Performance Graph - Texas Instruments UCC14131-Q1 Isolated DC/DC Modules

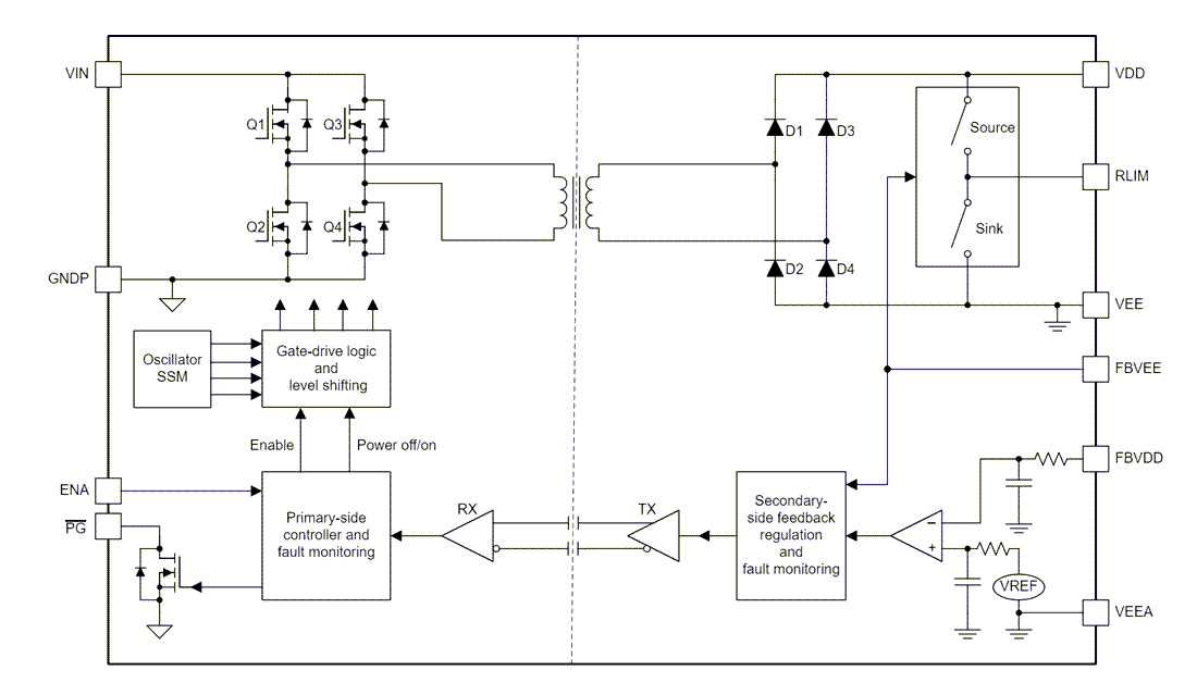
Functional Block Diagram

Block Diagram - Texas Instruments UCC14131-Q1 Isolated DC/DC Modules
Published: 2024-03-11 | Updated: 2025-05-22