Texas Instruments UCC14241-Q1 Automotive Isolated DC/DC Module

Texas Instruments UCC14241-Q1 Automotive Isolated DC/DC Module is engineered to deliver power to IGBT or SiC gate drivers. The UCC14241-Q1 combines a transformer and DC/DC controller with a proprietary architecture to accomplish high efficiency with very low emissions. The high-accuracy output voltages supply better channel enhancement for higher system efficiency without over-stressing the power device gate.

The TI UCC14241-Q1 achieves up to 2W (typical) of high-efficiency isolated output power. The device requires minimum external components and includes on-chip device protection and extra features. These features include input undervoltage lockout, overvoltage lockout, overtemperature shutdown, output voltage power-good comparators, soft-start time-out, adjustable isolated positive and negative output voltage, an open-drain output power-good pin, and an enable pin.

Features

  • Fully integrated high-density isolated DC/DC module with isolation transformer
  • Isolated DC/DC for driving: IGBTs, SiC, and Si MOSFETs
  • Input voltage range of 21V to 27V with 32V absolute maximum
  • 2.0W output power at TA ≤ 85°C and > 1.5W at TA = 105°C
  • Adjustable single or dual output voltages (using resistors) with <±1.3% regulation accuracy over the full operating range
  • Low electromagnetic emission with spread spectrum modulation and integrated transformer design
  • Enable, Power Good, UVLO, OVLO, soft-start, short-circuit, power-limit, under-voltage, overvoltage, and over-temperature protection
  • CMTI >150kV/µs
  • AEC-Q100 qualified for automotive applications
    • Temperature grade 1 of -40°C ≤ TJ ≤ 150°C
    • Temperature grade 1 of -40 °C ≤ TA ≤ 125°C
  • Functional safety-capable documentation available to aid functional safety system design
  • Planned safety-related certifications
    • 7071VPK reinforce isolation per DIN EN IEC 60747-17 (VDE 0884-17)
    • 5000VRMS isolation for 1 minute per UL1577
    • Reinforced insulation per CQC GB4943.1
  • 36-pin, wide SSOP package

Applications

  • Hybrid, electric, and power train system (EV/HEV)
    • Inverter and motor control
    • On-board (OBC) and wireless charger
    • DC/DC converter
  • Motor drives
    • AC inverters and VF drives, robot servo drive
  • Grid infrastructure
    • EV charging station power module
    • DC charging (pile) station
    • String inverter
  • Industrial transport
    • Off-highway vehicle's electric drive

Device Comparison Table

Chart - Texas Instruments UCC14241-Q1 Automotive Isolated DC/DC Module

Simplified Application

Application Circuit Diagram - Texas Instruments UCC14241-Q1 Automotive Isolated DC/DC Module

Typical Power-up Sequence

Performance Graph - Texas Instruments UCC14241-Q1 Automotive Isolated DC/DC Module

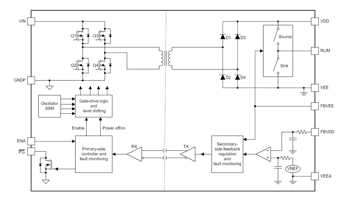
Functional Block Diagram

Block Diagram - Texas Instruments UCC14241-Q1 Automotive Isolated DC/DC Module
Published: 2024-03-11 | Updated: 2025-05-22